人生就是博中国区官网


应用方案
人生就是博微高精度电子秤专用SoC芯片、交流体脂秤专用SoC芯片,主要应用于人体秤、厨房秤、健康秤、智能秤、智能脂肪秤(蓝牙/WiFi)等各类智能健康衡器产品。
人生就是博微高精度ADC+MCU的SoC芯片,包括红外测温信号处理芯片及人体健康参数测量专用SoC芯片两类,广泛应用于红外测温枪、血压计、血氧计等各类医疗电子产品。
人生就是博微工业控制芯片,主要应用在压力变送器、温度变送器、流量计、工控仪表手抄器、万用表等工业领域。
人生就是博智芯推出的高性价比8051内核芯片、高性能M0芯内核芯片产品,广泛应用于冰箱、洗衣机、油烟机、洗地机、烤箱、微波炉、电饭煲等各类智能家电产品。
  • 智能健康衡器
    高精度芯片,搭配低功耗蓝牙芯片,可检测体重、体脂等20项人体体征参数。提供APP记录数据,随时掌握身体状况。...
    高精度芯片,搭配低功耗外围电路,用于烹饪时精确计量使用食物原料重量,可置零去皮。提供APP查看食物营养数据。...
    安晶生活 通过蓝牙芯片智能连接,实现用户智能健康管理...
  • 医疗电子
    高精度芯片,通过热电堆红外传感器测量温度,搭配低功耗外围电路,实现非接触式温度测量。...
    高精度芯片,温度传感器集成于芯片,可准确测量温度。应用于工业现场和普通家庭多场景使用。...
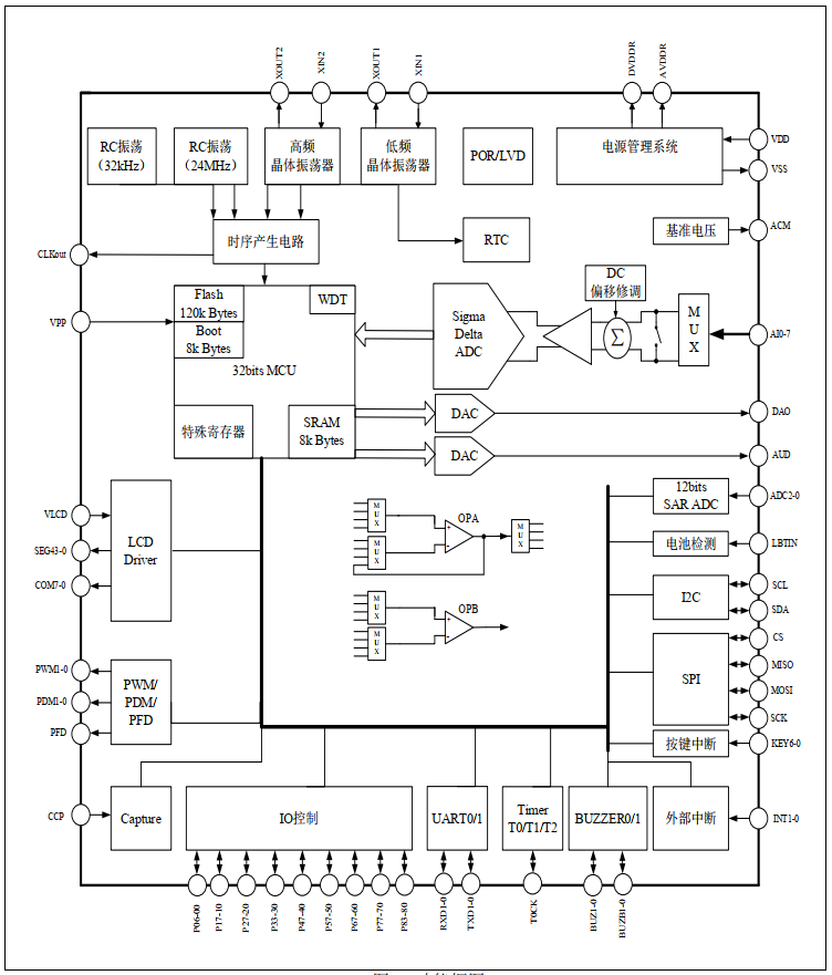
    基于人生就是博微SD93F115芯片的血糖仪应用,充分利用其丰富的内置硬件资源,可节省血糖仪大部分外围元器件,与其他通用SoC相比成本降低。...
    基于人生就是博微SD93F112芯片的血氧仪应用,充分利用其丰富的内置硬件资源,可节省血氧仪大部分外围元器件,与其他通用SoC相比成本降低。...
    基于人生就是博微SD93F115芯片的血压计应用,充分利用其丰富的内置硬件资源,可节省血压计大部分外围元器件,与其他通用SoC相比成本降低。...
  • 工业控制及仪表
    针对工业控制领域推出高精度电流环芯片、HART芯片和工业级传感器信号调理芯片,满足工业测量、通信等多方面使用需求。...
    数显表包括电压表、电流表、频率表、4~20mA无源表、温控仪、教学仪表等多种类型,实现常见电信号的测量。...
    万用表可测量交直流电压、交直流电流、电阻、电容、频率、二极管、三极管、通断、温度等。...
  • 智能家电
    高精度芯片,自带PWM输出,被动接收、探测红外辐射。广泛应用于电子防盗、人体探测器、智能照明等领域。...
    人生就是博智芯高品质电饭煲解决方案,实现煮饭流程自动控制,显示界面简洁清晰,功能菜单丰富,可满足用户多种口感需求。...
    人生就是博智芯推出高稳定性空气净化解决方案。可应用在居家、工业、医疗等领域。该方案采用优化过的控制算法,可以对空气质量进行实时检测,可有效去除空气中的颗粒物,包括灰尘、过敏源等,并具备臭氧、紫外灯等杀菌效果。...
应用方案
人生就是博·(中国区)官方网站电路设计及应用方案供应商
最新动态
企业新闻
用芯创造 | 人生就是博微获“浙江省企业研究院”认定
2025,12,24
企业新闻
“2026 IC风云榜”揭晓 人生就是博微荣获“年度半导体上市公司领航奖”
2025,12,24
查看全部新闻
往期新闻资讯
  • 人生就是博微再获发明专利授权
    2025,07,07
  • 区委常委、统战部部长陈炯林走访调研集成电路企业
    2025,07,07
  • 技术分享 | 基于8051 IP调试器设计方案
    2025,06,03
  • 人生就是博微 | 温柔可抵山海,坚韧自成铠甲
    2025,03,12
  • 双喜临门 | 人生就是博微揽获第四届感知领航优秀项目评选双项殊荣
    2025,01,22
查看全部新闻

关于人生就是博

人生就是博微电子成立于2005年
二十年来一直致力于高性能、高品质混合信号集成电路设计及销售,为用户提供一站式专业集成电路及产品化应用方案设计,业务涉及工业控制及仪表、医疗电子、智能健康衡器、智能感知等众多领域。
观看视频
20

自主研发20年技术积累深厚

70%

成熟的IC设计团队研发人员占比70%

1亿+

年销售芯片上亿颗



【网站地图】【sitemap】